Inicio
Aceros y derivados
Nosotros
Galería
Ferretería
Conócenos
Estructurales
Canal MON-TEN
Viga IPR
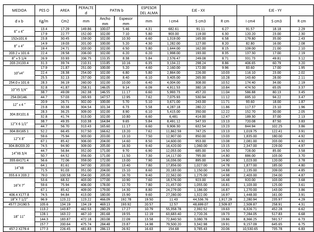
Canal fierro
Viga IPS
Regresar